首先什么是低通滤波器?
低通滤波器是允许低于截止频率的低频信号通过,而减少频率高于截止频率的信号通过。如图1所示为典型的低通滤波器的频率响应波形。
图1
构建一个RC低通滤波器
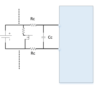
在高压采样和电池电压采样以及板载的电源电压信号采样中RC滤波随处可见,现针对RC低通滤波器构建如下图2所示的电路模型,输入信号为Ui,输出信号为Uo。
图2
对上述电路进行频域分析:
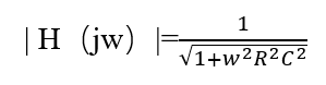
求模即求输出增益:
其中电压增益用分贝(dB)表示:
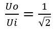
图1中的-3dB,对应的:
即:
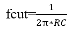
求得截止频率:
实例分析
如下图所示R=4.7K,C=10nF, fcut≈3.382kHz
图3
上述电路的幅频和相频特性曲线如下:
由仿真波形可以看出-3DB对应的频率为3.3884kHz,与理论值基本接近。
图4
图5
实际应用
以松下的某款模拟前端为例,该AFE的最高采样率fs=30kHZ,若Rc取1kΩ,计算Cc,首先Rc、Cc的截止频率为:
由奈奎斯特采样定理:
综上求得:
同样在高压采样电路中的RC也需要根据采样频率进行选择。
图6

评论列表